Контакты
Новости
Каталоги
 Войти
Сортировать:
Сначала новые
Сначала старые
Цена ↑
Цена ↓
Кол-во ↑
Кол-во ↓
Имя A→Я
Имя Я→A
Серийник ↑
Серийник ↓
AGCO6241502M1
818 ₽
AGCO6262992M92
1 342 189 ₽
AGCO6250289M91
1 347 182 ₽
AGCO6256410M91
1 347 182 ₽
51550234 -
1 196 798 ₽
811315-9378 -
991 528 ₽
84280675 - редуктор бортовой
1 105 989 ₽
84557446 - секция подбарабанья
1 347 884 ₽
87325135 -
1 208 020 ₽
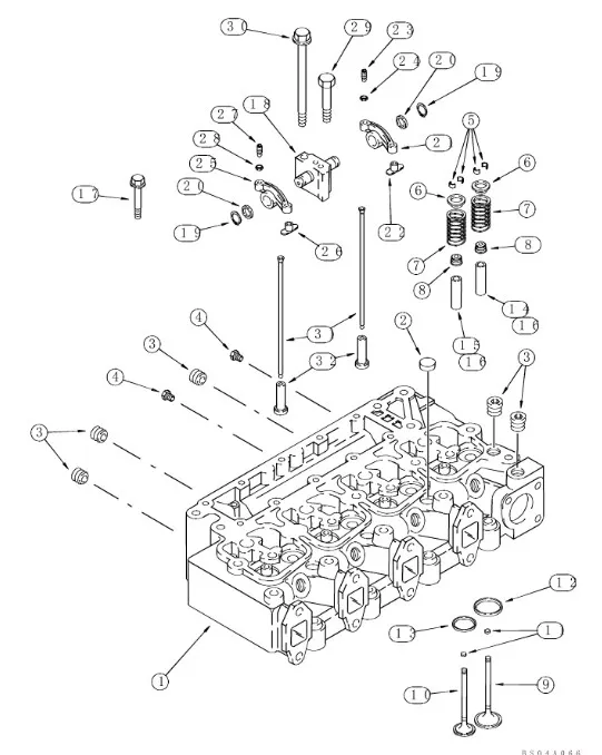
87429906 - головка цилиндров
491 634 ₽
AGCO163510330000 -
1 350 991 ₽
AGCO700144750
1 347 242 ₽
AGCO162051425000 -
1 350 991 ₽
AGCO167366620000 -
1 350 991 ₽
AGCO167366620010 -
1 350 991 ₽
AGCO3976113M1
1 349 969 ₽
AGCO3976115M1
1 349 976 ₽
AGCO4240446M1
1 349 903 ₽
AGCO538632D1 -
1 347 630 ₽
AGCO543058D1 -
1 350 640 ₽
AGCO593959D1 -
1 349 094 ₽
AGCO608072D1 -
1 349 444 ₽
AGCO6241503M1
5 712 ₽
AGCO6241503M2
5 712 ₽
«
<
1
...
22
23
24
25
26
...
34117
>
»
Страница:
Перейти